SKF BEARING

SKF Adapter sleeves  SNW32X5.7/16

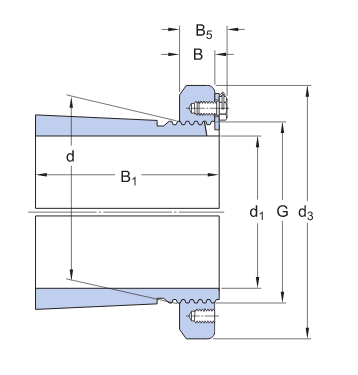
SKF Adapter sleeve with N lock nut and PL locking plate, inch dimensions

Adapter sleeves are the most commonly used components for locating bearings with a tapered bore onto a cylindrical seat as they can be used on plain shafts or stepped shafts. The sleeves are slit and are supplied complete with a lock nut and locking device. They are easy to install and require no additional location on the shaft.

Get A Quote
Contact Us

SKF Adapter sleeve with N lock nut and PL locking plate, inch dimensions

Various part numbers in stock, welcome inquiry. Fast shipment within 2-3 working days.

Designation Principal dimensions Included products
Sleeve Lock nut Locking device
d1[mm] d[mm] B1[mm]
  SNW3038X6.15/16   176.213   190   111.811   S 3038×6.15/16   N 038   W 038
  SNW3040X7.1/8   180.975   200   120.396   S 3040×7.1/8   N 040   W 040
  SNW3040X7.3/16   182.563   200   120.396   S 3040×7.3/16   N 040   W 040
  SNW3044X7.13/16   198.438   220   130.048   S 3044×7.13/16   N 044   W 044
  SNW3044X7.15/16   201.613   220   130.048   S 3044×7.15/16   N 044   W 044
  SNW3044X7.7/8   200.025   220   130.048   S 3044×7.7/8   N 044   W 044
  SNW30X5.1/4   133.35   150   107.467   S 30×5.1/4   AN 30   W30
  SNW30X5.3/16   131.763   150   107.467   S 30×5.3/16   AN 30   W30
  SNW3124X4.3/16   106.363   120   87.782   S 24×4.3/16   N 024   W 024
  SNW3126X4.1/2   114.3   130   95.301   S 26×4.1/2   N 026   W 026
  SNW3126X4.7/16   112.713   130   95.301   S 26×4.7/16   N 026   W 026
  SNW3128X4.15/16   125.413   140   100.863   S 28×4.15/16   N 028   W 028
  SNW3130X5.3/16   131.763   150   107.467   S 30×5.3/16   N 030   W 030
  SNW3132X5.7/16   138.113   160   116.027   S 32×5.7/16   N 032   W 032
  SNW3134X5.15/16   150.813   170   122.86   S 34×5.15/16   N 034   W 034
  SNW3136X6.1/2   165.1   180   127.711   S 36×6.1/2   N 036   W 036
  SNW3136X6.7/16   163.513   180   127.711   S 36×6.7/16   N 036   W 036
  SNW3138X6.15/16   176.213   190   133.375   S 38×6.15/16   N 038   W 038
  SNW3140X7.3/16   182.563   200   139.04   S 40×7.3/16   N 040   W 040
  SNW3144X7.15/16   201.613   220   149.631   S 44×7.15/16   N 044   W 044
  SNW32X5.1/2   139.7   160   116.027   S 32×5.1/2   AN 32   W32
  SNW32X5.3/4   146.05   160   116.027   S 32×5.3/4   AN 32   W32
  SNW32X5.3/8   136.525   160   116.027   S 32×5.3/8   AN 32   W32
  SNW32X5.7/16   138.113   160   116.027   S 32×5.7/16   AN 32   W32
  SNW34X5.13/16   147.638   170   122.86   S 34×5.13/16   AN 34   W34
  SNW34X5.15/16   150.813   170   122.86   S 34×5.15/16   AN 34   W34
  SNW34X5.7/8   149.225   170   122.86   S 34×5.7/8   AN 34   W34
  SNW36X6.1/2   165.1   180   127.711   S 36×6.1/2   AN 36   W36
  SNW36X6.5/16   160.338   180   127.711   S 36×6.5/16   AN 36   W36
  SNW36X6.7/16   163.513   180   127.711   S 36×6.7/16   AN 36   W36

WHCD Bearing Co.,Ltd is professional bearing supplier, engaged in bearing business with more than eighteen years, export to worldwide countries, as America, European, Middle-East, Southeast Asia …etc. with plenty long-term cooperation customers. WHCD Bearing company will provide professional and prompt solution for customers.Original Quality and Warranted, and Bearing experts team support customer service. Various bearing types for customer choose:  

Bearing Types:
Self-aligning ball bearing
Cylindrical roller bearing
Spherical roller bearing
Tapered roller bearing
Angular contact ball
Needle roller
Deep groove ball bearing
Axial deep groove ball
Pillow block bearing and units
LM/Linear Guide
Product Inquiry Form
Scroll to Top