SKF BEARING

SKF Double Row Tapered Roller Bearings  331607 B

Double row tapered roller bearings
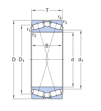
SKF manufactures double row tapered roller bearings in the TDO (fig. 1) and TDI (fig. 2) designs, in many variants and with different features. Depending on the design, these bearings can accommodate heavy radial loads, axial loads in both directions and have a high degree of stiffness. Double row tapered roller bearings are typically used in gearboxes, hoisting equipment, rolling mills and machines in the mining industry, e.g. tunnelling machines.

Get A Quote
Contact Us

SKF Tapered roller bearing Double row tapered roller bearings, TDI design.

various part numbers in stock, welcome inquiry. Fast shipment within 2-3 working days.

Designation Principal dimensions Basic load ratings Design variant/feature
dynamic static
d[mm] D[mm] T[mm] B[mm] C[kN] C0[kN]
  331158 A   384.175   546.1   193.675   193.675   3 724   8 300   TDI/GWIY2
  331182 A   501.65   711.2   250.825   250.825   5 500   13 700   TDI/GWIY2
  331527 C   346.075   488.95   174.625   174.625   2 835   6 300   TDI/WIY2
  331555 B   635   939.8   304.8   304.8   6 710   16 600   TDIS/N1Y
  331607 B   558.8   736.6   196.85   196.85   4 290   11 600   TDI/Y2
  331676 A   500   730   280   280   6 600   16 000   TDI.1/Y2
  331677   580   830   280   280   6 820   16 600   TDI.1/Y2
  332068   305.033   560   200   200   2 920   5 300   TDIS/N2Y
  332167   400   650   240   240   3 910   8 150   TDIS/N2Y
  332168   300   440   105   105   1 076   2 040   TDIS/NY
  332169 A   305.07   500   200   200   2 734   5 200   TDIS/N
  332169 AA   305.07   500   200   200   2 734   5 200   TDIS/NY

WHCD Bearing Co.,Ltd is professional bearing supplier, engaged in beaing business with more than eighteen years, export to worldwide countries, as Ameria, European, Middle-East, Southeast Asia …etc. with plenty long-term cooperation cusomers. WHCD Bearing company will provide professional and prompt solution for customers.Original Quality and Warranted, and Bearing experts team support customer service. Various bearing types for customer choose:

Bearing Types:

Self-aligning ball bearing
Cylindrical roller bearing
Spherical roller bearing
Tapered roller bearing
Angular contact ball
Needle roller
Deep groove ball bearing
Axial deep groove ball
Pillow block bearing and units
LM/Linear Guide
Product Inquiry Form
Scroll to Top