SKF BEARING

SKF Four-point contact ball bearings QJ332N2MA

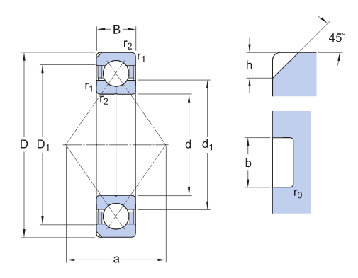
SKF Four-point contact ball bearings are radial single row angular contact ball bearings with raceways that are designed to support axial loads in both directions. For a given axial load, a limited radial load can also be supported (Load ratio). The bearings are separable, i.e. the outer ring with ball and cage assembly can be mounted separately from the two inner ring halves.

Both inner ring halves of SKF Explorer four-point contact ball bearings have a recessed shoulder. This improves oil flow when the bearing is used in combination with an SKF cylindrical roller bearing (fig. 1). In addition, these recesses can be used to facilitate dismounting.

Get A Quote
Contact Us

SKF Four-point contact ball bearings

Various part numbers in stock, welcome inquiry. Fast shipment within 2-3 working days.

Designation Principal dimensions Basic load ratings Speed ratings
dynamic static Limiting speed
d[mm] D[mm] B[mm] C[kN] C0[kN] [r/min]
 QJ326N2MA   130   280   58   455   610   4 000
 QJ328N2MA   140   300   62   500   695   3 800
 QJ330N2MA   150   320   65   530   765   3 600
 QJ332N2MA   160   340   68   570   880   3 400
 QJ334N2MA   170   360   72   655   1 040   3 200
 QJ336N2MA   180   380   75   680   1 100   3 000
 QJ338N2MA   190   400   78   702   1 160   2 800
 QJ344N2MA   220   460   88   780   1 400   2 400

WHCD Bearing Co.,Ltd is professional bearing supplier, engaged in bearing business with more than eighteen years, export to worldwide countries, as America, European, Middle-East, Southeast Asia …etc. with plenty long-term cooperation customers. WHCD Bearing company will provide professional and prompt solution for customers.Original Quality and Warranted, and Bearing experts team support customer service. Various bearing types for customer choose:  

Bearing Types:
Self-aligning ball bearing
Cylindrical roller bearing
Spherical roller bearing
Tapered roller bearing
Angular contact ball
Needle roller
Deep groove ball bearing
Axial deep groove ball
Pillow block bearing and units
LM/Linear Guide
Product Inquiry Form
Scroll to Top