SKF BEARING

SKF Insert bearings CYS 50FM

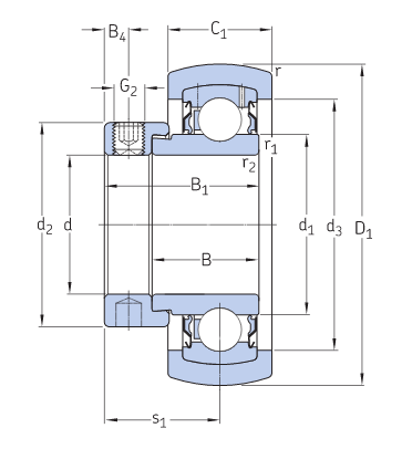
SKF Insert bearings (SKF Y-bearings) are based on sealed deep groove ball bearings in the 62 and 63 series, but have a convex outer ring and in most cases an extended inner ring with a specific locking device, enabling quick and easy mounting onto the shaft.

Get A Quote
Contact Us

SKF insert bearings (Y-bearings)

Various part numbers in stock, welcome inquiry. Fast shipment within 2-3 working days.

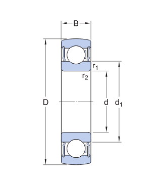
Designation Principal dimensions Basic load ratings Limiting speed
dynamic static
d[mm] D / D1[mm] B1[mm] B[mm] C / C1[mm] Rg[mm] C[kN] C0[kN] [r/min]
 1726203-2RS1   17   40   12   12   9.56   4.75   12 000
 1726204-2RS1   20   47   14   14   12.7   6.55   10 000
 1726205-2RS1   25   52   15   15   14   7.8   8 500
 1726206-2RS1   30   62   16   16   19.5   11.2   7 500
 1726207-2RS1   35   72   17   17   25.5   15.3   6300
 1726208-2RS1   40   80   18   18   30.7   19   5 600
 1726209 B-2RS1/VP274   45   85   19   19   33.2   21.6   4300
 1726209-2RS1   45   85   19   19   33.2   21.6   5 000
 1726210-2RS1   50   90   20   20   35.1   23.2   4 800
 1726211-2RS1   55   100   21   21   43.6   29   4300
 1726212-2RS1   60   110   22   22   52.7   36   4 000
 1726305-2RS1   25   62   17   17   22.5   11.6   7 500
 1726306-2RS1   30   72   19   19   28.1   16   6300
 1726307-2RS1   35   80   21   21   33.2   19   6 000
 1726308-2RS1   40   90   23   23   41   24   5 000
 1726309 B-2RS1/VP274   45   100   25   25   52.7   31.5   4 500
 1726309-2RS1   45   100   25   25   52.7   31.5   4 500
 1726310 B-2RS1/VP274   50   110   27   27   61.8   38   4300
 1726310-2RS1   50   110   27   27   61.8   38   4300
 CYS 20FM   20   52.3   30.5   21   19   12.7   6.55   8 500
 CYS 25FM   25   62.3   31   21.5   20.5   14   7.8   7 000
 CYS30FM   30   72.3   35.7   23.8   21.5   19.5   11.2   6300
 CYS 35FM   35   80.3   38.9   25.4   23   25.5   15.3   5300
 CYS 40FM   40   85.3   43.2   29.7   24   30.7   19   4 800
 CYS 45FM   45   90.3   43.7   30.2   25   33.2   21.6   4300
 CYS 50FM   50   100.3   43.7   30.2   26   35.1   23.2   4 000
 UC305   25   62   38   20   22.5   11.6   6 600
 UC306   30   72   43   21   26.5   15   5300
 UC307   35   80   48   23   33.2   19.3   4 700
 UC308   40   90   52   25   41   24   4 200

WHCD Bearing Co.,Ltd is professional bearing supplier, engaged in bearing business with more than eighteen years, export to worldwide countries, as America, European, Middle-East, Southeast Asia …etc. with plenty long-term cooperation customers. WHCD Bearing company will provide professional and prompt solution for customers.Original Quality and Warranted, and Bearing experts team support customer service. Various bearing types for customer choose:  

Bearing Types:
Self-aligning ball bearing
Cylindrical roller bearing
Spherical roller bearing
Tapered roller bearing
Angular contact ball
Needle roller
Deep groove ball bearing
Axial deep groove ball
Pillow block bearing and units
LM/Linear Guide
Product Inquiry Form
Scroll to Top