SKF BEARING

SKF Support rollers  NA22/6.2RSX

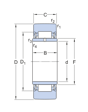
SKF Support rollers without flange rings, with an inner ring

Support rollers (yoke-type track rollers) are designed to run on all types of tracks and to be used in cam drives, conveyor systems, etc. They are based on a single row needle roller bearing with an inner ring and have a thick-walled outer ring with a crowned running surface. They are supplied sealed and are ready-to-mount. The inner ring contains a lubrication hole to facilitate relubrication. The inner ring can be mounted separately from the outer ring and roller and cage assembly.

Get A Quote
Contact Us

SKF Support rollers without flange rings, with an inner ring

Various part numbers in stock, welcome inquiry. Fast shipment within 2-3 working days.

Designation Principal dimensions Basic load ratings Maximum radial loads
dynamic static dynamic static
D[mm] d[mm] C[mm] B[mm] C[kN] C0[kN] Frmax.[kN] F0rmax.[kN]
  NA22/6.2RS   19   6   11.8   12   4.02   3.65   2.55   3.6
  NA22/6.2RSX   19   6   11.8   12   4.02   3.65   2.55   3.6
  NA22/8.2RS   24   8   11.8   12   4.68   4.55   5.3   7.5
  NA22/8.2RSX   24   8   11.8   12   4.68   4.55   5.3   7.5
  NA2200.2RS   30   10   13.8   14   6.6   7.5   12   17.3
  NA2200.2RSX   30   10   13.8   14   6.6   7.5   12   17.3
  NA2201.2RS   32   12   13.8   14   7.04   8.5   11.6   16.6
  NA2201.2RSX   32   12   13.8   14   7.04   8.5   11.6   16.6
  NA2202.2RS   35   15   13.8   14   7.48   9.3   9.5   13.7
  NA2202.2RSX   35   15   13.8   14   7.48   9.3   9.5   13.7
  NA2203.2RS   40   17   15.8   16   9.52   13.2   15.3   22
  NA2203.2RSX   40   17   15.8   16   9.52   13.2   15.3   22
  NA2204.2RS   47   20   17.8   18   16.1   18   17.6   25.5
  NA2204.2RSX   47   20   17.8   18   16.1   18   17.6   25.5
  NA2205.2RS   52   25   17.8   18   16.8   20   17.3   24.5
  NA2205.2RSX   52   25   17.8   18   16.8   20   17.3   24.5
  NA2206.2RS   62   30   19.8   20   17.9   25.5   28.5   40.5
  NA2206.2RSX   62   30   19.8   20   17.9   25.5   28.5   40.5
  NA2207.2RS   72   35   22.7   23   22.4   35.5   38   54
  NA2207.2RSX   72   35   22.7   23   22.4   35.5   38   54
  NA2208.2RS   80   40   22.7   23   27.5   40.5   35.5   51
  NA2208.2RSX   80   40   22.7   23   27.5   40.5   35.5   51
  NA2210.2RS   90   50   22.7   23   28.1   43   34.5   50
  STO10   30   10   11.8   12   8.25   8.8   8.5   12.2
  STO10 X   30   10   11.8   12   8.25   8.8   8.5   12.2
  STO12   32   12   11.8   12   8.8   9.8   8.3   12
  STO12 X   32   12   11.8   12   8.8   9.8   8.3   12
  STO15   35   15   11.8   12   9.13   10.6   7.1   10
  STO15 X   35   15   11.8   12   9.13   10.6   7.1   10
  STO17   40   17   15.8   16   14.2   17.6   12   17.3

WHCD Bearing Co.,Ltd is professional bearing supplier, engaged in bearing business with more than eighteen years, export to worldwide countries, as America, European, Middle-East, Southeast Asia …etc. with plenty long-term cooperation customers. WHCD Bearing company will provide professional and prompt solution for customers.Original Quality and Warranted, and Bearing experts team support customer service. Various bearing types for customer choose:  

Bearing Types:
Self-aligning ball bearing
Cylindrical roller bearing
Spherical roller bearing
Tapered roller bearing
Angular contact ball
Needle roller
Deep groove ball bearing
Axial deep groove ball
Pillow block bearing and units
LM/Linear Guide
Product Inquiry Form
Scroll to Top