SKF BEARING

SKF Support rollers  RNA2204.2RS

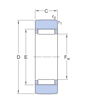
SKF Support rollers without flange rings, without an inner ring

Support rollers (yoke-type track rollers) are designed to run on all types of tracks and to be used in cam drives, conveyor systems, etc. They are based on a single row needle roller bearing without an inner ring, intended for applications where hardened and ground raceways can be provided on the pin or shaft. They have a thick-walled outer ring with a crowned running surface and are supplied ready-to-mount. The outer ring and the needle roller and cage assembly can be mounted separately.

Get A Quote
Contact Us

SKF Support rollers without flange rings, without an inner ring

Various part numbers in stock, welcome inquiry. Fast shipment within 2-3 working days.

Designation Principal dimensions Basic load ratings Maximum radial loads
dynamic static dynamic static
D[mm] Fw[mm] C[mm] C[kN] C0[kN] Frmax.[kN] F0rmax.[kN]
  RNA22/6.2RS   19   10   11.8   4.02   3.65   2.55   3.6
  RNA22/8.2RS   24   12   11.8   4.68   4.55   5.3   7.5
  RNA2200.2RS   30   14   13.8   6.6   7.5   12   17.3
  RNA2201.2RS   32   16   13.8   7.04   8.5   11.6   16.6
  RNA2202.2RS   35   20   13.8   7.48   9.3   9.5   13.7
  RNA2203.2RS   40   22   15.8   9.52   13.2   15.3   22
  RNA2204.2RS   47   25   17.8   16.1   18   17.6   25.5
  RNA2205.2RS   52   30   17.8   16.8   20   17.3   24.5
  RNA2206.2RS   62   35   19.8   17.9   25.5   28.5   40.5
  RNA2207.2RS   72   42   22.7   22.4   35.5   38   54
  RSTO10   30   14   11.8   8.25   8.8   8.5   12.2
  RSTO12   32   16   11.8   8.8   9.8   8.3   12
  RSTO15   35   20   11.8   9.13   10.6   7.1   10
  RSTO17   40   22   15.8   14.2   17.6   12   17.3
  RSTO 20   47   25   15.8   16.1   21.2   18.6   26.5
  RSTO 25   52   30   15.8   16.5   22.8   18   26
  RSTO 30   62   38   19.8   22.9   34.5   23.6   33.5
  RSTO 5 TN   16   7   7.8   2.51   2.5   3.55   5
  RSTO 6 TN   19   10   9.8   3.74   4.5   4.25   6.1
  RSTO 8 TN   24   12   9.8   4.13   5.4   7.5   10.8

WHCD Bearing Co.,Ltd is professional bearing supplier, engaged in bearing business with more than eighteen years, export to worldwide countries, as America, European, Middle-East, Southeast Asia …etc. with plenty long-term cooperation customers. WHCD Bearing company will provide professional and prompt solution for customers.Original Quality and Warranted, and Bearing experts team support customer service. Various bearing types for customer choose:  

Bearing Types:
Self-aligning ball bearing
Cylindrical roller bearing
Spherical roller bearing
Tapered roller bearing
Angular contact ball
Needle roller
Deep groove ball bearing
Axial deep groove ball
Pillow block bearing and units
LM/Linear Guide
Product Inquiry Form
Scroll to Top